Olen vähän ihmetellyt laiskaa starttia ja kun viime kesänä ostettu uusi akkukaan ei oikein meinaa kestää ja rupesin mittailemaan. Vuotovirtaa on sitten n 20 mA.
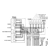
Mutkien kautta huomasin sitten, että mittariston liitännästä, matkamittarin (odometer) piiristä on pieni yhteys (tai suuri vastus, n. 200 kohmia) "immobilizer" systeemin merkkivalon katodille. Tuo on kait ledi, eli edes tuolta ei pitäisi päästä toiseen suuntaan virtaamaan. Mutta niin vaan, kun lyö liittimet mittaristoon kiinni, kaikki mittaristoon tulevat pinnit ovat täydessä akun jännitteessä. Mukaan lukien siis runko/maadoitus. Eli sammutettuna ja akun miinus-napa irrotettuna, koko runko on 12 V jännitteessä, kun tuo matkamittari-piiri on koko ajan kiinni akun plussapuolella.
Siis odometer-piiristä ei pitäisi olla mitään yhteyttä tuonne ledin katodipuolelle (tai mihinkään muualle) ja toisaalta ledin ei pitäisi päästää virtaa silti eteenpäin. Voiko tosiaan saman tien olla kaksi erillistä vikaa, vai onko tämä nyt oire viasta, jonka luonnetta en ymmärrä?
Tämä ei kuitenkaan liene ihan normaalia, mutta tässä kohtaa loppuu usko omaan osaamiseen. En ole uskaltanut koko mittaristoa avata. Onko tässä nyt vaan tilattava kokonaan uusi mittaripaneeli, vai onko tuo ehkä vielä korjattavissa? Uskaltaako tuota ruveta itse availemaan ja katsomaan?
Mutkien kautta huomasin sitten, että mittariston liitännästä, matkamittarin (odometer) piiristä on pieni yhteys (tai suuri vastus, n. 200 kohmia) "immobilizer" systeemin merkkivalon katodille. Tuo on kait ledi, eli edes tuolta ei pitäisi päästä toiseen suuntaan virtaamaan. Mutta niin vaan, kun lyö liittimet mittaristoon kiinni, kaikki mittaristoon tulevat pinnit ovat täydessä akun jännitteessä. Mukaan lukien siis runko/maadoitus. Eli sammutettuna ja akun miinus-napa irrotettuna, koko runko on 12 V jännitteessä, kun tuo matkamittari-piiri on koko ajan kiinni akun plussapuolella.
Siis odometer-piiristä ei pitäisi olla mitään yhteyttä tuonne ledin katodipuolelle (tai mihinkään muualle) ja toisaalta ledin ei pitäisi päästää virtaa silti eteenpäin. Voiko tosiaan saman tien olla kaksi erillistä vikaa, vai onko tämä nyt oire viasta, jonka luonnetta en ymmärrä?
Tämä ei kuitenkaan liene ihan normaalia, mutta tässä kohtaa loppuu usko omaan osaamiseen. En ole uskaltanut koko mittaristoa avata. Onko tässä nyt vaan tilattava kokonaan uusi mittaripaneeli, vai onko tuo ehkä vielä korjattavissa? Uskaltaako tuota ruveta itse availemaan ja katsomaan?